

倘若您有什么疑問或是對我公司有任何
的意見和建議都可通過:
的意見和建議都可通過:
公司名稱: 鞏義市西村鎮華豐給排水材料廠
公司地址: 河南省鞏義市西村開發區
電話: 0371-64033589
手機: 18638168566,13683712868
13783416000(技術)
聯系人: 王先生,位女士
郵政編碼: 451200
E-MAIL: 1696257948@qq.com
網址:http://www.sd31zb.com/
網址:http://www.sd31zb.com/
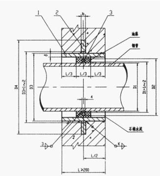
A型剛性防水套管
標簽:該產品可按照客戶要求訂做,如需訂做請向客服提供您的參數表
華豐竭誠為您服務,熱線電話0371-64033589
我公司專業生產防水套管,剛性防水套管,柔性防水套管,密閉防水套管,預埋套管,加長型防水套管等產品。防水套管設計新穎、結構合理、質優價廉,安裝維護方便。

A型剛性防水套管的執行標準:
A型剛性防水套管用于飲用水水池的防水套管,其密封圈、密封膏、防護涂料等應無毒,符合GB/T17219-1998標準的規定,且通過國家、地區衛生防疫檢疫權威機構的檢測。其橡膠密封圈的硬度、物理性能、質量、尺寸和公差、及檢驗等應符合HG/T3091;2000標準的規定。
A型剛性防水套管在用于與腐蝕性介質接觸時,設計人應根據介質性及防腐要求,另行選擇使用的耐腐蝕材料。金屬表面涂覆前應進行除銹,手工除銹質量應達到GB8923-88標準中的st3級,噴射除銹質量應達到Sa2 1/2 級。
A型剛性防水套管使用范圍:
剛性防水套管適用于管道穿墻處不承受管道振動和伸縮變形的構(建)筑物,對于地震設防要求的地區,如采用剛性防水套管,應在進入池壁或建筑物外墻的管道上就近設置柔性連接,A型適用于鋼管。
A型剛性防水套管的安裝:
在安裝A型剛性防水套管時應盡量避開沉降縫、伸縮縫或二個較近距離的構(建)筑物。有特殊需要時,必須經由工程師選構使用。
剛性防水套管(A型)尺寸表、重量表
DN | D1 | D2 | D3 | D14 | δ | B | k | 重量 (kg) |
50 | 60 | 80 | 114 | 225 | 3.5 | 10 | 4 | 4.49 |
65 | 75.5 | 95 | 121 | 230 | 3.75 | 10 | 4 | 4.66 |
80 | 89 | 110 | 140 | 250 | 4 | 10 | 4 | 5.33 |
100 | 108 | 130 | 159 | 270 | 4.5 | 10 | 5 | 6.36 |
125 | 133 | 155 | 180 | 290 | 6 | 10 | 6 | 8.33 |
150 | 159 | 180 | 219 | 330 | 6 | 10 | 6 | 1O.06 |
200 | 219 | 240 | 273 | 385 | 8 | 12 | 8 | 15.9 |
250 | 273 | 295 | 325 | 435 | 8 | 12 | 8 | 18.68 |
300 | 325 | 345 | 377 | 500 | 10 | 14 | 10 | 27.40 |
350 | 377 | 400 | 426 | 550 | 10 | 14 | 10 | 30.95 |
400 | 426 | 445 | 480 | 600 | 10 | 14 | 10 | 34.35 |
450 | 480 | 500 | 530 | 650 | 1O | 14 | 10 | 37.85 |
500 | 530 | 550 | 590 | 730 | 10 | 16 | 10 | 44.54 |
600 | 630 | 660 | 690 | 830 | 10 | 16 | 10 | 54.50 |
700 | 720 | 750 | 790 | 920 | 10 | 16 | 10 | 61.43 |
800 | 820 | 850 | 880 | 1020 | 10 | 16 | 10 | 69.12 |
900 | 920 | 950 | 980 | 1120 | 10 | 16 | 10 | 76.81 |
1000 | 1020 | 1050 | 1080 | 1230 | 10 | 16 | 10 | 84.50 |
1200 | 1220 | 1250 | 1290 | 1430 | 12 | 20 | 12 | 122.5 |
1400 | 1420 | 1450 | 1490 | 1630 | 12 | 20 | 12 | 141.3 |
1600 | 1620 | 1650 | 1690 | 1830 | 14 | 20 | 14 | 176.4 |
1800 | 1820 | 1850 | 1900 | 2040 | 16 | 20 | 16 | 216.6 |
2000 | 2020 | 2050 | 2100 | 2240 | 16 | 20 | 16 | 239.3 |
更多產品詳情可來電咨詢
聯系人:王先生 13783416000 魏女士 13683712868
上一篇:雙密封柔性防水套管
下一篇:預埋防水套管
版權所有:華豐管道 地址:河南省鞏義市西村開發區 服務熱線:0371-64033589 管理入口E-MAIL: 1696257948@qq.com 手機: 18638168566,13783416000
網站備案/許可證號: 豫ICP備11026537號-5
豫公網安備 41910102000259號 技術支持:鞏義開啟網絡
本網站支持新廣告法,為不影響客戶瀏覽,頁面區域用詞正在排查修改,本店所有頁面絕對化用詞和功能性用詞在此聲明前全部失效,不接受不妥協任何形式的絕對化用詞和功能性用詞賠付,希望各位消費者理解,職業打假人高抬貴手。 網站備案/許可證號: 豫ICP備11026537號-5
