
倘若您有什么疑問或是對我公司有任何
的意見和建議都可通過:
的意見和建議都可通過:
公司名稱: 鞏義市西村鎮華豐給排水材料廠
公司地址: 河南省鞏義市西村開發區
電話: 0371-64033589
手機: 18638168566,13683712868
13783416000(技術)
聯系人: 王先生,位女士
郵政編碼: 451200
E-MAIL: 1696257948@qq.com
網址:http://www.sd31zb.com/
網址:http://www.sd31zb.com/
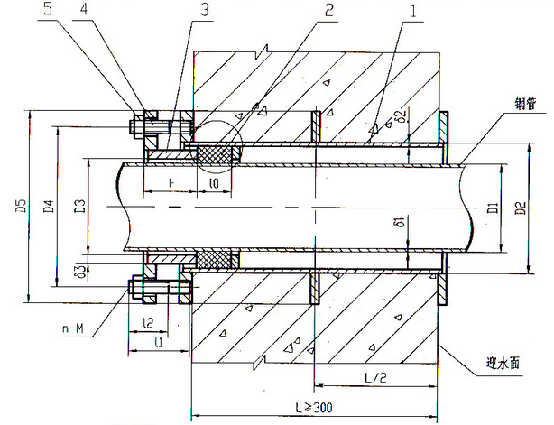
02S404型柔性防水套管
標簽:該產品可按照客戶要求訂做,如需訂做請向客服提供您的參數表
華豐竭誠為您服務,熱線電話0371-64033589



02S404型柔性防水套管是適用于管道穿過墻壁之處受有振動或有嚴密防水要求的構筑物的五金管件,一般生產企業是根據的S312、02S404標準圖集制造的。柔性防水套管穿墻處之墻壁,如遇非混凝土時應改用混凝土墻壁,而且必須將套管一次凝固于墻內;柔性防水套管施廣泛用于建筑、化工、鋼鐵、自來水、污水處理等單位。
一般在做水池的時候要用到套管,它是管道通向水池的通道。但是普通的套管很難密封,從而從套管與管道之間會有漏水、套管與墻壁之間也易漏水。只用防水套管的話解決了套管與墻壁之間的漏水,還不能解決套管與管道之間的密封,柔性防水套管正好可以解決兩種問題。
套管可分為:普通套管--比要用的管道粗2-4厘米,固定在墻或板內,管道從中通過。柔性套管--就是在套管與管道之間用柔性材封堵起到密封效果。鋼性套管--就是套管與管道間用鋼性材料封堵達到密封效果。防水套管--就是套管所使用的環境是防止液體漏出或漏入的地方(比如水池、化糞池、地下室等),就是在套管外壁增加不少于1圈的防水翼,這樣套管澆筑在墻體內時就成為一個整體,不會因脹縮因數而出現裂紋而滲漏。
| DN | D1 | D2 | D3 | D4 | D5 | Ⅰ | 10 | Ⅰ1 | Ⅰ2 | D1 | D2 | D3 | n-M | |
| Ⅰ型 | Ⅱ型 | |||||||||||||
| 50 | 60 | 95 | 65 | 145 | 200 | 65 | 28 | / | 72 | 30 | 3.5 | 4 | 8 | 4-M12 |
| 65 | 76 | 114 | 80 | 165 | 220 | 65 | 28 | 25 | 72 | 30 | 3.75 | 4 | 8 | 4-M12 |
| 80 | 89 | 127 | 95 | 180 | 235 | 65 | 28 | 25 | 76 | 38 | 4 | 4 | 10 | 4-M16 |
| 100 | 108 | 146 | 114 | 200 | 255 | 65 | 28 | 25 | 76 | 38 | 4 | 4.5 | 10 | 4-M16 |
| 125 | 133 | 180 | 140 | 235 | 290 | 65 | 28 | 25 | 76 | 38 | 4 | 6 | 10 | 6-M16 |
| 150 | 159 | 203 | 165 | 260 | 215 | 65 | 28 | 25 | 76 | 38 | 4.5 | 6 | 10 | 6-M16 |
| 200 | 219 | 265 | 226 | 320 | 375 | 65 | 28 | 25 | 76 | 38 | 6 | 6 | 10 | 6-M16 |
| 250 | 273 | 325 | 280 | 380 | 435 | 65 | 28 | 25 | 76 | 38 | 8 | 8 | 10 | 8-M16 |
| 300 | 325 | 377 | 333 | 435 | 495 | 72 | 28 | 30 | 90 | 46 | 8 | 10 | 10 | 8-M20 |
| 350 | 377 | 426 | 385 | 485 | 545 | 72 | 32 | 30 | 90 | 46 | 10 | 10 | 10 | 8-M20 |
| 400 | 426 | 480 | 435 | 540 | 600 | 72 | 32 | 30 | 90 | 46 | 10 | 10 | 10 | 12-M20 |
| 450 | 480 | 530 | 488 | 590 | 650 | 72 | 32 | 30 | 90 | 46 | 10 | 10 | 10 | 12-M20 |
| 500 | 530 | 585 | 538 | 645 | 705 | 72 | 32 | 30 | 90 | 46 | 10 | 10 | 10 | 16-M20 |
| 600 | 630 | 690 | 640 | 755 | 820 | 75 | 32 | 30 | 104 | 54 | 10 | 10 | 12 | 16-M24 |
| 700 | 720 | 780 | 730 | 845 | 910 | 75 | 40 | 30 | 104 | 54 | 10 | 10 | 12 | 20-M24 |
| 800 | 820 | 880 | 830 | 950 | 1020 | 80 | 40 | 40 | 117 | 60 | 10 | 10 | 12 | 20-M27 |
| 900 | 920 | 980 | 930 | 1050 | 1120 | 80 | 40 | 40 | 117 | 60 | 10 | 10 | 12 | 20-M27 |
| 1000 | 1020 | 1080 | 1030 | 1150 | 1220 | 80 | 40 | 40 | 117 | 60 | 10 | 10 | 12 | 24-M27 |
更多產品詳情可來電咨詢
聯系人:王先生 13783416000 魏女士 13683712868
上一篇:柔性密閉防水套管
下一篇:02S404型剛性防水套管
版權所有:華豐管道 地址:河南省鞏義市西村開發區 服務熱線:0371-64033589 管理入口E-MAIL: 1696257948@qq.com 手機: 18638168566,13783416000
網站備案/許可證號: 豫ICP備11026537號-5
豫公網安備 41910102000259號 技術支持:鞏義開啟網絡
本網站支持新廣告法,為不影響客戶瀏覽,頁面區域用詞正在排查修改,本店所有頁面絕對化用詞和功能性用詞在此聲明前全部失效,不接受不妥協任何形式的絕對化用詞和功能性用詞賠付,希望各位消費者理解,職業打假人高抬貴手。 網站備案/許可證號: 豫ICP備11026537號-5
豫公網安備 41910102000259號 技術支持:鞏義開啟網絡
